产品选型
选择臂展
  • 不限
  • 1.5米以内
  • 2米以内
  • 2.5米以内
  • 3米以内
  • 4米以内
选择负载
  • 不限
  • 10kg以内
  • 30kg以内
  • 50kg以内
  • 100kg以内
  • 200kg以内
  • 400kg以内
选型工具
嘿,您好
我能帮上什么忙?

给28圈电竞留言

请留言

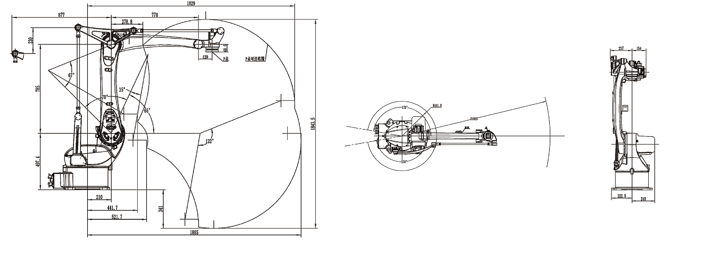
CRP-RP18-25
描述
工业码垛机器人
功能特点

• 配置独立于控制系统的安全急停板,采用进口强制型断开继电器,对外提供双回路急停,确保急停的可靠性。

• 内置滤波器,有效隔离外部干扰和防止内部干扰输出。

• 本体电缆采用日本大电高柔机器人专用电缆。

• 本体提供双回路气管,满足搬运的需求。

• 4轴为25型谐波减速机结构,刚性更强,满足搬运场景的特殊要求。

• 拉杆关节采用高防护设计,保证防尘防水性能,高使用寿命。


本体技术指标

安装接口图

工作范围图